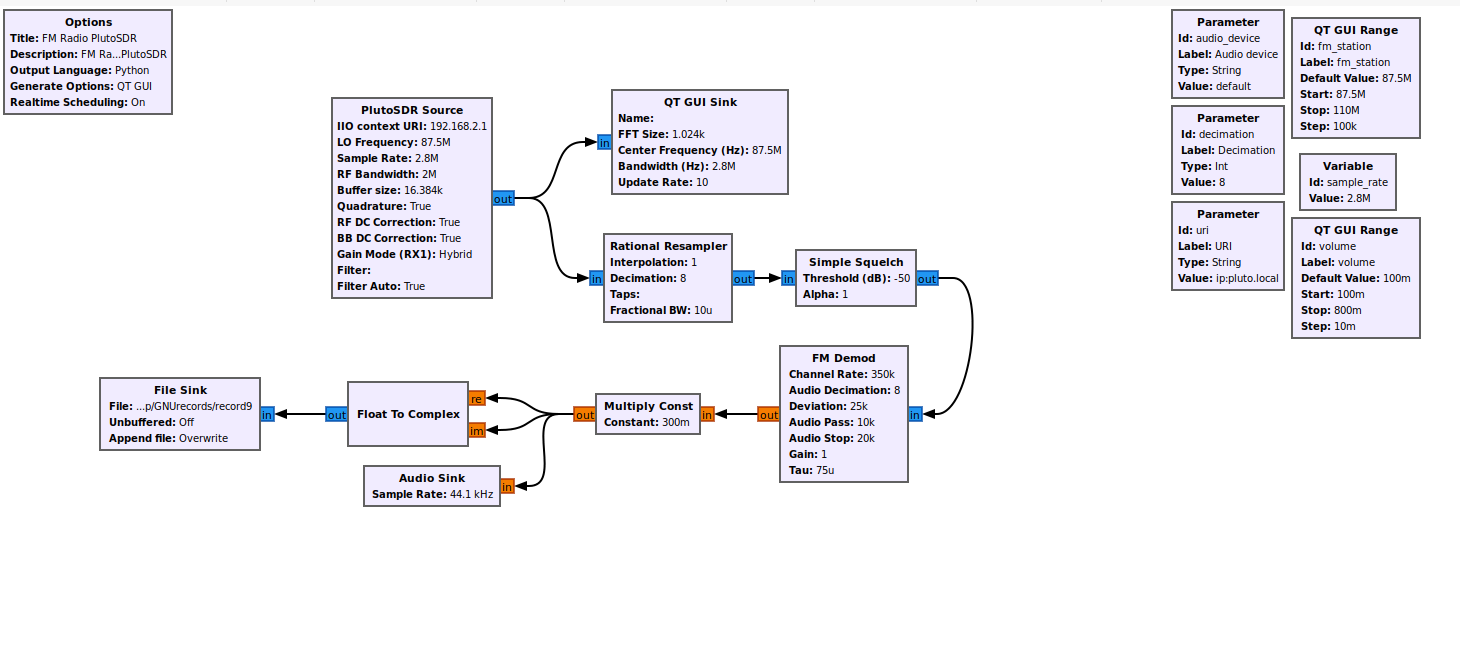
Hi, i just started struggle with GNU radio with using adalm-pluto. I aim to record the 2MHz interval in FM broadcast. I tried to below flowdiagram but when i converted the output of the file sink to wav file with sox and opened in SDR#, it just shows the -19kHz and +19kHz on selected frequency(like 87.5MHz,88,4 MHz, etc…). I want to record at 2MHz interval. I mean if beginning of the frequency is 87.5 MHz, I want to record whole radios between 87.5 MHz and 89.5 MHz. Is that possible in GNU radio? Thanks for help.
